
| VSB 60 50/135 | ||||||||
Q m3/h | Ht mmH20 | Hs mmH20 | kW | HP | g/min rpm | dB (A) | kg | kg Ex-d |
6500 | 49 | 43 | 3 | 4 | 720 | 56 | 165 | 195 |
9000 | 53 | 42 | ||||||
12000 | 47 | 28 | 4 | 5,5 | 58 | 194 | 260 | |
9000 | 87 | 76 | 5,5 | 7,5 | 950 | 60 | 170 | 195 |
11000 | 91 | 74 | 61 | |||||
14000 | 89 | 63 | 7,5 | 10 | 63 | 215 | 260 | |
16000 | 80 | 46 | 11 | 15 | 64 | 220 | 275 | |
| VSB 60 55/145 | ||||||||
Q m3/h | Ht mmH20 | Hs mmH20 | kW | HP | g/min rpm | dB (A) | kg | kg Ex-d |
7000 | 54 | 47 | 4 | 5,5 | 720 | 58 | 194 | 260 |
10000 | 60 | |||||||
13500 | 51 | 27 | 5,5 | 7,5 | 59 | 200 | ||
10000 | 98 | 85 | 7,5 | 10 | 950 | 61 | 215 | |
13000 | 104 | 81 | ||||||
15000 | 102 | 72 | 11 | 15 | 62 | 220 | 275 | |
18000 | 88 | 45 | 15 | 20 | 64 | 250 | 350 | |
| |||||||||||||||||||||||||||||||||||||||||||||||||||||||||||||||||||||||
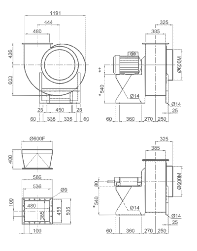
![]() * Questa quota è differente con rotazione RD/LG 270 * This dimension is different with rotation RD/LG 270 * * Questa quota dipende dalla grandezza del motore installato | |||||||||||||||||||||||||||||||||||||||||||||||||||||||||||||||||||||||