
| VSB 70 50/135 | ||||||||
Q m3/h | Ht mmH20 | Hs mmH20 | kW | HP | g/min rpm | dB (A) | kg | kg Ex-d |
10000 | 64 | 56 | 5,5 | 7,5 | 720 | 59 | 240 | 300 |
14000 | 68 | 53 | 60 | |||||
19000 | 59 | 32 | 11 | 15 | 61 | 290 | 390 | |
13000 | 109 | 96 | 11 | 15 | 950 | 63 | 260 | 315 |
16000 | 116 | 97 | 64 | |||||
21000 | 117 | 84 | 15 | 20 | 65 | 288 | 390 | |
26000 | 98 | 47 | 18,5 | 25 | 67 | 318 | 440 | |
| VSB 70 55/145 | ||||||||
Q m3/h | Ht mmH20 | Hs mmH20 | kW | HP | g/min rpm | dB (A) | kg | kg Ex-d |
11000 | 75 | 66 | 5,5 | 7,5 | 720 | 59 | 240 | 300 |
16000 | 80 | 61 | 7,5 | 10 | 60 | 265 | 315 | |
21000 | 68 | 35 | 11 | 15 | 61 | 290 | 390 | |
14000 | 128 | 113 | 11 | 15 | 950 | 63 | 260 | 315 |
18000 | 137 | 112 | 15 | 20 | 65 | 288 | 390 | |
22000 | 139 | 102 | 18,5 | 25 | 67 | 318 | 440 | |
26000 | 129 | 78 | 22 | 30 | 70 | 330 | 460 | |
| |||||||||||||||||||||||||||||||||||||||||||||||||||||||||||||||||||||||||
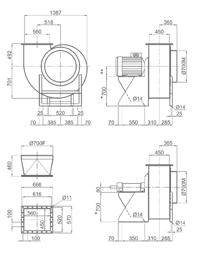
* Questa quota è differente con rotazione RD/LG 270 * This dimension is different with rotation RD/LG 270 * * Questa quota dipende dalla grandezza del motore installato | |||||||||||||||||||||||||||||||||||||||||||||||||||||||||||||||||||||||||
